Produkte
Bauelemente
Drain Linienentwässerung
Punktentwässerung
Dach- & Fassaden
Edelstahlrinnen
Bauguss
Einzel- und Reihenabdeckungen
Schachtabdeckungen Metall
Sonderschachtabdeckungen Detego
Schachtsysteme
Mineralölabscheider
Kabelschacht
Spezialanwendungen
Keller
Haustechnik
Bodenentwässerung
Dach- und Fassadenentwässerung
Badentwässerung
Abscheiden
Hebeanlagen
Rückstausystem
Regenwassermanagement
Sedimentationsanlagen
Technische Filter / Adsorber
Mineralölabscheider RWM
Rückhalte- und Speicheranlage
Ableitung- Drosselsysteme
Pumpstationen
Havariesysteme
Tunnel & Spezialelemente
Strassentunnel
Bahntunnel
Spezialprojekte
Haus & Garten
Rasenwaben
Kiesstabilisierung
Schuhabstreifer
Slimline
Rain4me
Fassadenentwässerung
Unternehmen
ACO Schweiz
Firmengeschichte
Standorte
Kontakte
ACO Gruppe
Weltmarktführer in der Entwässerung
Sustainability
ACO WaterCycle
Botschafter SDG 6
Allgemeine Geschäftsbedingungen
AGB
Beruf & Karriere
Karriere
Anwendungen
Regenwassermanagement
Schwammstadt
Energie-Infrastruktur
Autobahn
Strassentunnel
Bahntunnel
Industriefläche
Tankstellen
öffentliche Plätze
Badentwässerung
Grossküche
Kondensatentwässerung
Green City Lösungen
Lebensmittelindustrie
Bodenentwässerung
Keller
Planung
ACO Hebeanlagen
ACO Pumpstationen
ACO Fettabscheider
BIM @ ACO
Devis Finder
ACO ProjectManager
ACO Schachtkonfigurator
ACO DRAIN Design
Einbauempfehlungen
Lösungen
Linienentwässerung
Bauguss
Abdeckungen
RWM
Schächte
Dach und Fassaden
Bodenentwässerung
Badentwässerung
Fettabscheider
Abwasserhebeanlagen
Referenzen
askACO | Service
Informationen
Video
Effizientes Regenwassermanagement auf Sportplätzen
Support
Detego
ACO Service
Dienstleistungen
Wartung
Reparatur / Ersatzteile
Schulungen und Seminare
Fachsymposium Haustechnik
Regenwassermanagement
Newsletter
Download
Preislisten
Preislisten / Broschüren
Fachberichte
Fachberichte
Bestellformulare
Bestellformulare Haustechnik
Einbauanleitungen
BIM
Building Information Modeling
Bauprodukteverordnung / Leistungserklärungen
Bauprodukteverordnung / Leistungserklärungen
Ausschreibungstexte
Bauguss
Vergleichstabelle / Beschriftung
Kontakt
ACO Schweiz
ACO in der Schweiz
Innen- / Aussendienst
Beratung ACO Schweiz
Kontaktformular
Kontaktformular
de
DE
DE
FR
FR
IT
IT
de
DE
DE
FR
FR
IT
IT
Produkte
Haustechnik
Abscheiden
Fettabscheider - Freiaufstellung
Teilentsorgung
Lipator-S-RA
Lipator-S-RA - Automatiksteuerung
Produktvorteile
Kompakte Abmessungen durch Teilbarkeit
Leichtes Handlung und Einbringung
Selbsterklärendes Schaltgerät
Einstellbare Zeitschaltuhr für bedarfsgerechten Abzug von Fett
Automatischer Fett- und Schlammabzug
Fettabscheider Lipator-S-RA Ausbaustufe 3
Edelstahl 1.4571
Mit elektrischer Kugelhahn DN 50 für Fett- und Schlammabzug automatische Bedienung
Gemäss Norm SN EN 1825
Bauaufsichtliche Zulassung Z-54.1-452
Zum Einbau in Räumen - frostfrei
Mit integriertem Schlammfang
Heizpatrone zum Homogenisieren des Fettes
2 Austauschbehälter mit Deckel
Mit Fettschichtdickenmessgerät
Mit Fassfüllstandmessung
Mit Sammelbehälter für Fett-/Sinkstoffschlamm, Deckel einschliesslich Schlauchanschluss
Fülleinheit mit Magnetventil zur Unterstützung von Schlamm- und Fettabzug
Mit Krählwerk - überwacht
Freiaufstellung
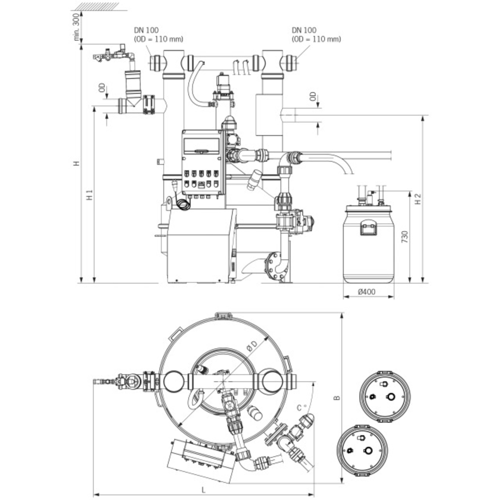
Artikel
Abmessungen
Downloads
bitte warten...
Ihre Daten werden geladen...
Art.Nr.
alte Art.Nr.
Nenngrösse
Nennweite
DN
Gesamtinhalt
Gewicht leer
kg
Gewicht gefüllt
kg
Durchmesser x Höhe
mm
Schwerstes Einzelteil
kg
kg
Downloads
2091847
ACO Lipator-S-RA NS2 DN100
7672.70.10
NS 2
100
220
220
440
880 x 750
50
213.3
2025028
ACO Lipator-S-RA NS4 DN100
7674.70.10
NS 4
100
480
260
760
980 x 450
45
255.5
2091849
ACO Lipator-S-RA NS10 DN150
7680.70.10
NS 10
150
1400
370
1770
1500 x 650
95
369.1
2091850
ACO Lipator-S-RA NS20 DN200
7690.70.10
NS 20
200
2020
430
2450
1750 x 780
120
430.2
2091852
ACO Lipator-S-RA NS25 DN200
7695.70.10
NS 25
200
2260
430
2690
1750 x 780
120
439.5
« Zurück
Druckansicht
Art.Nr.
Nenngrösse
Abmessungen
L
L1
L2
H1
H2
mm
mm
mm
mm
mm
2091847
NS 2
1170
640
970
1300
1230
2025028
NS 4
1240
980
1300
1400
1330
2091849
NS 10
1710
1500
1670
1800
1730
2091850
NS 20
1950
1750
1880
1900
1830
2091852
NS 25
1950
1750
1880
2000
1930
Gebrauchsanleitung_Lipator_S-RA.pdf
Download
Anzeigen
Zubehör
ACO Ozone_System
Signalanlage mit GSM Modul
Verlängerungskabel für Antenne GSM Modul
Probenahmetopf Edelstahl waagrecht
Grobfang zum Einbau in waagrechte Rohrleitung vor Abscheider
Probenahmetopf Edelstahl senkrecht
Grobfang für Lipator
Wechselfässer-Set
Wechselfass