LipuMax-P-DAP - Niveau d'équipement 3

Fabricant

  • Avantages du produit
    • Stabilité structurelle du réservoir avec preuve de stabilité de 50 ans
    • Puits résistant à la poussée d'Archimède jusqu'au bord supérieur du couvercle du puits sans travaux de bétonnage sur place pour les systèmes de rehausse avec classe de charge D 400

  • Séparateur de graisse LipuMax-P-DAP selon SN EN 1825 et DIN 4040‑100
  • Polyéthylène
  • Selon la norme DIN EN 1825 et DIN 4040-100
  • Pour installation enterrée
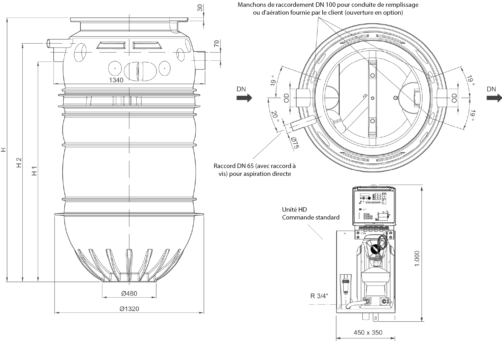
  • Vidange par pompe d'évacuation intégrée avec conduite d'aspiration DN 65 PN 10
  • Stabilité structurelle du réservoir avec preuve de stabilité de 50 ans
  • Unité de remplissage avec électrovanne (raccord R ¾") pour le remplissage automatique
  • Avec pompe d'évacuation intégrée (pas de gaine technique supplémentaire nécessaire)
  • Sécurité de flottaison garantie avec le système de rehausse D 400
  • Nettoyage interne hydromécanique
  • Fonctionnement automatique du nettoyage intérieur haute pression par télécommande
  • Raccordement électrique : 400 V/50 Hz/16 A/8 kW
  • Installation enterrée
VEUILLEZ PATIENTER...

Vos données sont en cours de chargement...

N° d´art. ancien code d’art. Taille nominale Largeur nominale
DN
Débourbeur
l
Vol. graisse
l
Capacité totale
l
kg Downloads
2129352 LipuMax-P-DAP NS4 460l 3204.84.00 NS 4 100 460 270 930 138
2129355 LipuMax-P-DAP NS5,5 570l 3205.84.00 NS 5,5 150 570 230 1465 152
2129370 LipuMax-P-DAP NS7 730l 3207.84.00 NS 7 150 730 285 1675 168
2129394 LipuMax-P-DAP NS10 1005l 3210.84.00 NS 10 150 1005 415 2170 185
Abmessung Bild
N° d´art.Taille nominaleDimensions
H1 H2 D
mm mm mm
2129352 NS 4 1235 1375 110
2129355 NS 5,5 1745 1900 160
2129370 NS 7 1960 2117 160
2129394 NS 10 2445 2599 160