Oleosmart Pro

Produttore

  • calcestruzzo polimerico
  • Costruzione monolitica
  • Senza filtro a coalescenza
  • Sicurezza operativa grazie alla guida del galleggiante a bassa turbolenza
  • Apertura di ispezione all'entrata
  • Con tubo di protezione per il galleggiante
  • Alto tasso di sedimentazione dovuto alla lunga distanza di flusso
  • Séparation simultanée des boues et des hydrocarbures
  • Manutenzione ridotta grazie alla tecnologia multicanale senza filtro
N° art. veccio N° art. kg DN Volume raccolta fanghi
Litri
Racolta olio
Litri
Totale
Litri
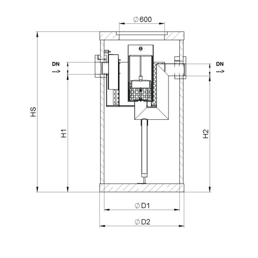
Entrata / scarico
mm
H1
mm
H2
mm
D1
mm
D2
mm
HS
mm
Downloads
2092067 Oleosmart Pro misura nominale 3, trappola per fanghi 300 litri 444096 1102,0 3 300 142 636 160 915 925 1000 1120 1545
2092068 Oleosmart Pro misura nominale 3, trappola per fanghi 650 litri 444097 1202,0 3 650 142 812 160 1140 1160 1000 1120 1810
2092069 Oleosmart Pro misura nominale 4, trappola per fanghi 800 litri 444098 1203,0 4 800 142 891 160 1240 1260 1000 1120 1810
2092070 Oleosmart Pro misura nominale 4, trappola per fanghi 1200 litri 444099 1322,0 4 1200 142 1126 160 1540 1560 1000 1120 2125
2092071 Oleosmart Pro misura nominale 6, trappola per fanghi 1200 litri 444100 2502,0 6 1200 396 1731 160 1135 1155 1500 1620 1750
2092072 Oleosmart Pro misura nominale 6, trappola per fanghi 2500 litri 444101 2762,0 6 2500 396 2517 160 1580 1600 1500 1620 430