Deflusso strozzato tramite diaframma forato in pozzetto in calcestruzzo polimerico

Produttore

  • Plastica
  • Sistema di deflusso strozzato tramite diaframma forato nel pozzetto
  • Tecnicamente semplice
  • Portata 0 – 52 l/s
  • Con troppopieno di emergenza
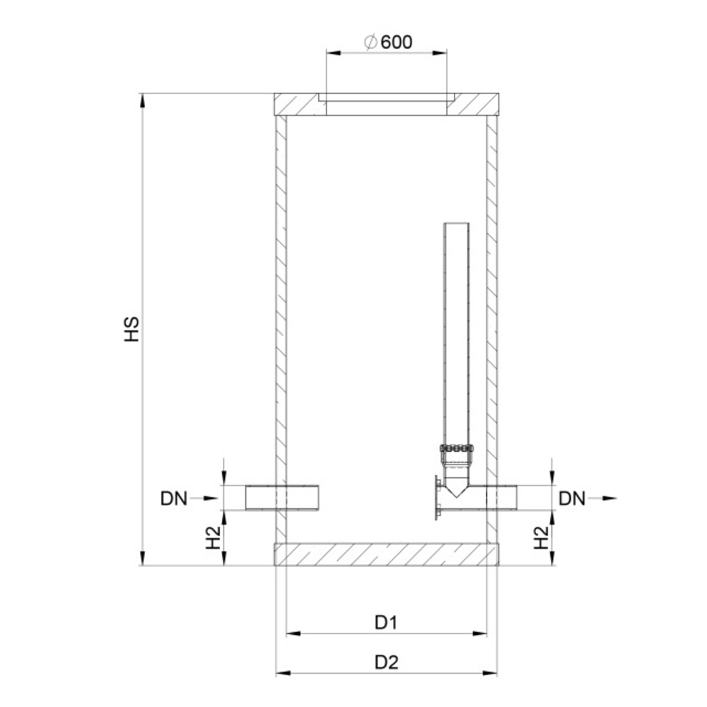
  • Sono disponibili diverse altezze dei pozzetti e dimensioni del diaframma forato e del tubo di collegamento
  • Dimensione del diagramma forato realizzata secondo le specifiche dell’oggetto in questione
  • È possibile scegliere tra diverse altezze di pozzetto. Configurazione individuale al momento del conferimento dell'ordine (altezza massima di accumulo, larghezza nominale, troppopieno di emergenza, ecc.)
N° art. kg Entrata / scarico
mm
H1 H2 D1 D2 HS Portata
l/s
Downloads
3010621 Deflusso strozzato tramite diaframma forato 1163 110 275 275 1000 1100 1585 0 – 3
3010623 Orifizio restrittivo DN150 in plastica PE 1163 160 275 275 1000 1100 1585 0 – 8,2
3010624 Orifizio restrittivo DN200 in plastica PE 1163 200 275 275 1000 1100 1585 0 – 17,7
3010625 Orifizio restrittivo DN250 in plastica PE 1163 250 275 275 1000 1100 1585 0 – 32
3010626 Orifizio restrittivo DN315 in plastica PE 1163 315 192 192 1000 1100 1585 0 – 52