LipuMax-P-DAP - Livello 3

Produttore

  • Vantaggi del prodotto
    • Stabilità strutturale del serbatoio con un certificato di stabilità di 50 anni
    • Il pozzo è a prova di galleggiamento fino al bordo superiore del coperchio del pozzo senza lavori di calcestruzzo in loco per sistemi superiori con classe di carico D 400

  • Separatori di grassi LipuMax-P-DA secondo norme SN EN 1825 e DIN 4040‑100
  • Polietilene
  • Secondo norme SN EN 1825
  • Per l'installazione interrata
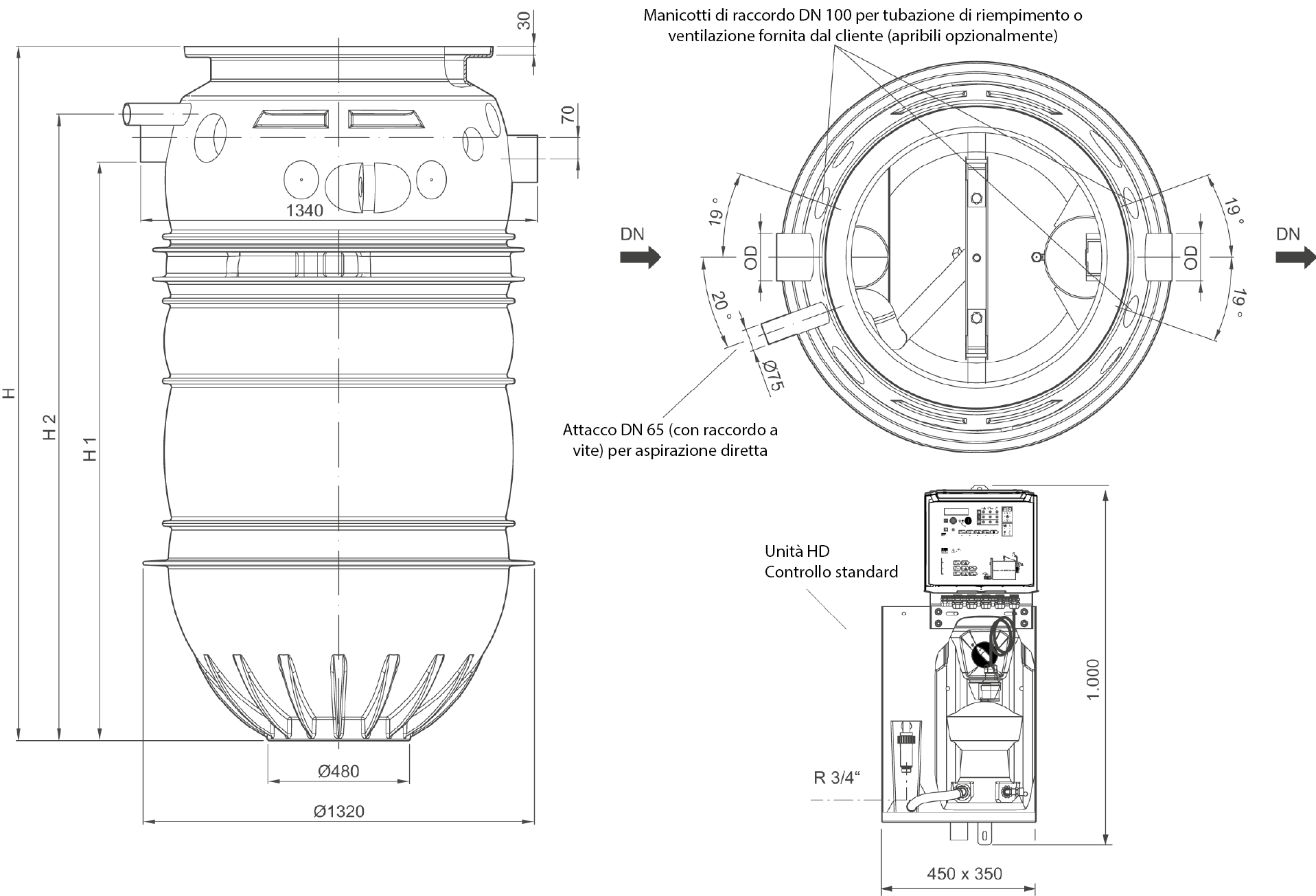
  • Svuotamento tramite pompa di smaltimento integrata con tubo di aspirazione DN 65 PN 10
  • Stabilità strutturale del serbatoio con un certificato di stabilità di 50 anni
  • Unità di riempimento con elettrovalvola (attacco R ¾") per il rifornimento automatico
  • Con pompa di smaltimento integrata (non è necessario un albero tecnico aggiuntivo)
  • Sicurezza di galleggiamento garantita con il sistema di fissaggio D 400
  • Pulizia interna idromeccanica
  • Funzionamento automatico del sistema di pulizia interna ad alta pressione tramite telecomando
  • Collegamento elettrico: 400 V/50 Hz/16 A/8 kW
  • Installazione all esterno
N° art. veccio N° art. Dimensione nominale Diametro nominale
DN
Sedimentatore
l
Separatore
l
Volume totale
l
kg Downloads
2129352 LipuMax-P-DAP NS4 460l 3204.84.00 NS 4 100 460 270 930 138
2129355 LipuMax-P-DAP NS5,5 570l 3205.84.00 NS 5,5 150 570 230 1465 152
2129370 LipuMax-P-DAP NS7 730l 3207.84.00 NS 7 150 730 285 1675 168
2129394 LipuMax-P-DAP NS10 1005l 3210.84.00 NS 10 150 1005 415 2170 185
Abmessung Bild
N° art.Dimensione nominaleDimensioni
H1 H2 D
mm mm mm
2129352 NS 4 1235 1375 110
2129355 NS 5,5 1745 1900 160
2129370 NS 7 1960 2117 160
2129394 NS 10 2445 2599 160